CS5260设计电路|替代NCS8823应用电路|TYPEC转VGA芯片方案设计
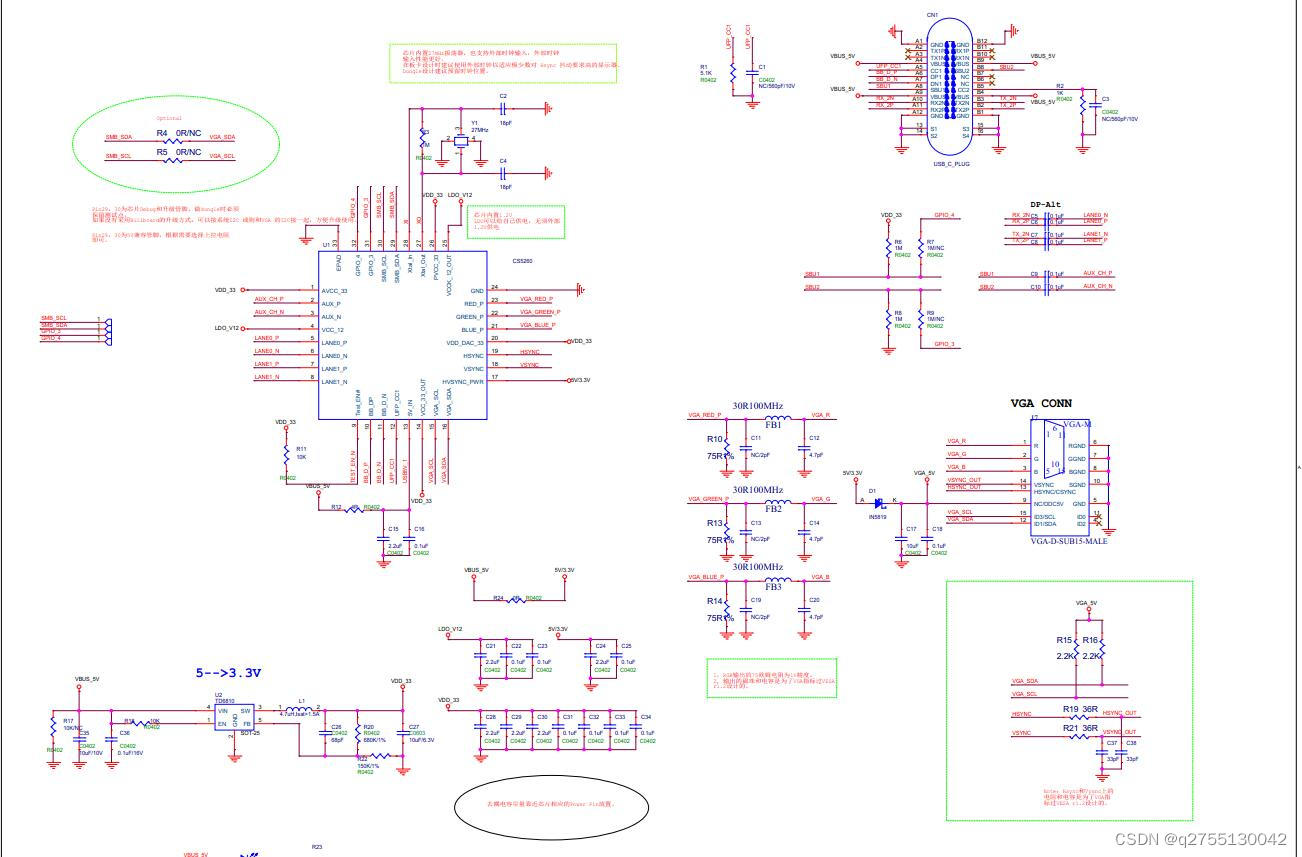
CS5260替代NCS8823Typec转VGA芯片方案设计电路如下:

CS5260集 成了一个与DP1.4兼容的接收器和一个VGA输出接口。另外,一个CC控制器用于CC通信来实现DP Alt模式。嵌入式单片机基于工业标准8051内核。其管脚定义如下:

2特点
总则
USB-C型规格1.2
VESA显示端口tm (DP) v1.4兼容接收机
VGA输出接口,DAC速度可达210mhz,8位
支持USB类型-C通道配置 (CC)
2车道2.7G。24位颜色深度1920x1200@10Hz@60Hz (RB,减少消隐) ,1920x1440@60Hz (RB,减少18 位) ,24位颜色深度2048x1152 (RB,减少消隐) ,28位颜色深度2048x1536@60Hz (RB,减少消隐)
嵌入式振荡器或外部晶体可选
嵌入式线性辍学调节器 (LDO)
嵌入式单片机
嵌入式EDID (如果终端设备没有CS5260,它将响应EDID)
嵌入式V同步/H同步5V缓冲器
内部重置电源 (POR)
QFN32 4x4包

浙公网安备 33010602011771号