电路中的开漏输出与推挽输出-灌电流、拉电流、上拉电阻
1---开漏输出与推挽输出是两个相对的概念
推挽输出
推挽电路即两个同类型的管子交替导通。

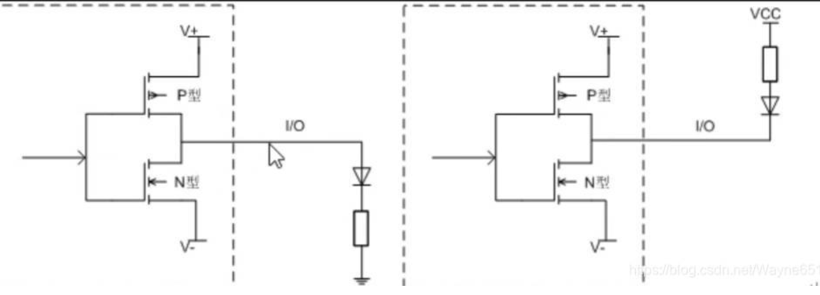
如示意图中,一个P型场效应管与一个N型场效应管组成开漏输出。
当输入端为高电平时,N型管导通,输出端为一个低电平;
当输入端为低电平时,P型管导通,输出端为一个高电平。
用推挽电路能得到高低电平的快速切换,蜂鸣器、LED灯往往会配置为推挽方式。
以驱动LED灯为例

1.如示意图中左图所示,当输出端为高电平时,LED灯亮,此时I/O口
的电流是从单片机向外输出,即拉电流。
2.如示意图中右图所示,当输出端为低电平时,LED灯亮,此时I/O口
的电流是从外向内的,即灌电流。
推挽方式具有较大的负载能力,功率放大器或是电机的驱动都有可能会用到推挽电路。
开漏输出
漏指场效应管的漏极,开漏输出即直接把场效应管的漏极作为输出。

开漏输出只能输出逻辑电平‘0’和高阻态,不能输出高电平,要想使管脚输出高电平,需在片外接一个上拉电阻。
开漏输出作用:

电平的匹配
通过外接电源形成电平的匹配,为单片机减小负担。
在作单片机的IIC通信时,一般会把多个开漏输出的管脚接在一根线上,形成‘与’逻辑,如果有一个输出为低电平,则总线为低电平。单片机就是以这样的一个方式来判断电路的工作状态。
2----灌电流、拉电流

3------上拉电阻
做直流电机的试验后,发现io口内阻的问题,就想了一下上拉电阻和下拉电阻的原理是不是类似呢,但是看了很多资料,各有各的解释。
https://www.bilibili.com/video/BV1W34y1579U/?spm_id_from=333.337.search-card.all.click&vd_source=fc330c74c50c7973a846d0d12cebdb30
这个是最通俗易懂得了

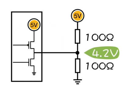
这是两个实验测得的电压,可以发现上拉电阻可以提高电路的驱动能力。
不串联电阻直接测电压是5v,串联后变为3.8v,这是因为单片机的内木结构是两个MOS管

当单片机输出高电平时上面的mos导通,但是存在内阻,可以算出内阻值


加上拉电阻相当于给内阻并联一个电阻,阻值变小,所以下面的电阻分压变多了。
但是为什么上拉电阻可以将不确定的信号固定在高电平呢

单片机的io内部结构是两个mos管。输出高电平时,上面导通,下面截止。输出低电平时,上面截止,下面导通。
开漏输出,上面的mos管永远断开,如果想输出高电平下面的mos也断开,但是两个断开的mos相当于两个无穷大的电阻。但是上面无穷大的电阻并联一个10k,阻值也只有10k,所以电压都被下面分走了。所以测得电压是5v。及使要输出低电平,下面导通相当于VCC连接上拉电阻,直接接地。电阻10K,通过的电流很小,可以忽略不计。
强上拉、弱上拉的强弱只是上拉电阻的阻值不同,没有什么严格区分。例如:50Ω上拉,一般成为强上拉;100kΩ上拉则称为弱上拉。下拉也是一样的。强拉电阻的极端就是0Ω电阻,即将信号线直接与电源或低相连接。

浙公网安备 33010602011771号